NCBI Isoforms: |
crRNA Target Site:ACGACTAGGGGACTCGAGAG |
Linker: LE |
Cas9:Wildtype spCas9 |
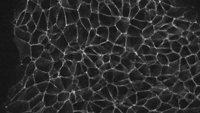
AICS-0114
CDH1 in WTC-mEGFP (bi-allelic tag)
Single plane image near the top of hiPS cells expressing mEGFP-tagged E-cadherin. Cells were imaged live in 3D on a spinning-disk confocal microscope. Scale bar, 5 µm.





EditingDesign
GenomicCharacterization
StemCellCharacteristics
mEGFP Insert

