NCBI Isoforms:n |
crRNA Target Site:GGGGTCGCAGTCGCCATGGC |
Linker: SGLRSRAQAS |
Cas9:Wildtype spCas9 |
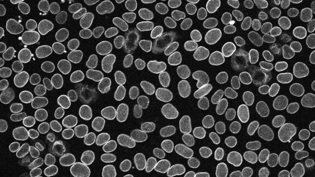
AICS-0034
LMNB1 in WTC-mTagRFP-T (mono-allelic tag)
Single, mid-level plane of cells in a live hiPS cell colony expressing mTagRFP-T-tagged lamin B1. Cells wereimaged in 3D on a spinning-disk confocal microscope. Scale bar, 5μm.





EditingDesign
GenomicCharacterization
StemCellCharacteristics
mEGFP Insert

