NCBI Isoforms:n |
crRNA Target Site:GAGATGTGTTCACAATGGAT |
Linker: GGGS |
Cas9:Wildtype spCas9 |
AICS-0087
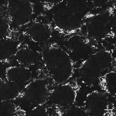
TFAM in WTC-mEGFP (mono-allelic tag)
Single, mid-level plane of cells in a live hiPS cell colony expressing mEGFP-tagged mitochondrial transcription factor A (TFAM). Cells were imaged in 3D on a spinning-disk confocal microscope. Scale bar, 5μm.




EditingDesign
GenomicCharacterization
StemCellCharacteristics
mEGFP Insert

