NCBI Isoforms:NM_014765 |
crRNA Target Site:AATTGTAAGTGCTCAGAGCT |
Linker: GGSGDPPVAT |
Cas9:Wildtype spCas9 |
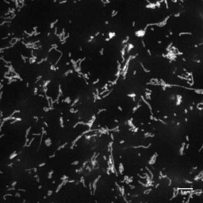
AICS-0011
TOMM20 in WTC-mEGFP (mono-allelic tag)
Single image of a live hiPSC colony expressing Tom20-mEGFP imaged on a spinning-disk confocal microscope. Image is a maximum intensity projection of 5 z-slices near the bottom of the cell.




EditingDesign
GenomicCharacterization
StemCellCharacteristics
mEGFP Insert

