NCBI Isoforms:N |
crRNA Target Site:GTGCTTAGCAGTGAATGGTC |
Linker: LQSTVPRARDPPVAT |
Cas9:Wildtype spCas9 |
AICS-0025
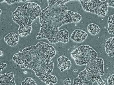
ST6GAL1 in WTC-mEGFP (mono-allelic tag)
Single image of a live hiPS cell colony expressing one copy (monoallelic) of mEGFP tagged sialyltransferase 1 (ST6GAL 1) imaged on a spinning-disk confocal microscope. Image is a maximum intensity projection of a 3D z-stack.





EditingDesign
GenomicCharacterization
StemCellCharacteristics
mEGFP Insert

